Shirt and piston set Peugeot 404 XC6, XCKF1, XCKF2, XCKF

Aprotec
Reference : PN0001104
€398.90
Tax included
1 Item(s) in stock

Same-day departure if ordered before 4pm (CET) (Monday to Friday), excluding french public holidays.

Quantity
Close

Description

Features :

  • Engines: XC6, XCKF1, XCKF2, XCKF
  • Displacement: 1618cc
  • Suitable for engines: 3 and 5 bearings
  • Piston bore: ⌀84mm (stroke 73)
  • 4 liners and pistons (rings 2+2+4.5mm, pins and clips included)
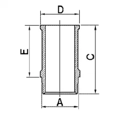
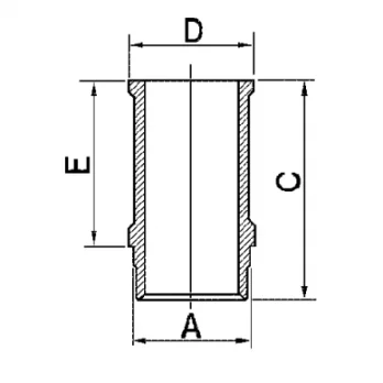
  • Liner base diameter: ⌀89mm (A)
  • Total liner height : 136.20mm (C)
  • Sleeve bearing diameter: ⌀99mm (D)
  • Jacket height (from baseplate): 114mm (E)
  • Axis: ⌀22 x 69mm
  • Height piston pin - top of piston (excluding domed part): 42.50mm
  • Height (domed part): 4mm
  • Compression ratio: 8.3:1
  • Compatible with injection models, volumetric ratio lowered to 8.3:1

Compatible with :

  • Peugeot 404 XC6 (Carburetor)
  • Peugeot 404 XCKF1 (Injection)
  • Peugeot 404 XCKF2 (Injection)
  • Peugeot 404 Cabriolet XCKF (Injection)

16 other products in the same category: